Sapphire nozzle 123

Sapphire nozzle 123

Stock Code
85T98W168N

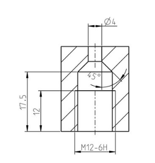
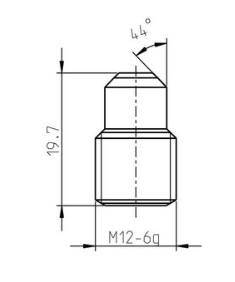
The Sapphire nozzle type 123 can be used up to an operating pressure of 3000 bar. This nozzle is used as a pointed nozzle on hand lances, or also on spray bars, and its field of application is often in industrial cleaning or in concrete demolition. The sapphire and the nozzle body are manufactured and processed in-house. The nozzle has a cone seal and has a sealing angle of 44°.

The heart of the nozzle, its the sapphire that is completely manufactured by mvt AG, thus ensuring a consistent and high quality. All sapphire are checked for scratches, cracks and flow.

Properties and Advantages

Long lifetime

Constant jet quality

High-power and focused water jet

Needle jet with high energy density

Easy to install and disassemble

Swiss Quality

Applications

Construction industry

Mining

Iron, steel and metal industries

Mechanical and apparatus engineering

Surface treatment

Removal of bitumen layers

Concrete demolition

Cement and concrete industry

Industrial cleaning

Specifications

Operating pressure (bar) max. 3000

Operating temp. (°C) max. 150

Tightening torque (Nm) max. 30

Instructions

When manually operating high pressure guns and lances the repulsive force on the axis should not exceed 250N! If the repulsive force exceeds 150N, a support / body armour is required!

Datasheet: https://www.mvt.ch/en/products/pdf/sapphire-nozzle-123?utm_campaign=Sapphire%20nozzle%20123&utm_medium=download&utm_source=products

Be the first to comment on this product!
You can use the suggestion form to submit feedback on the product's price, image, description, or any other insufficient areas.
Thank you for your feedback and suggestions.
Sapphire nozzle 123 85T98W168N Sapphire nozzle 123

Recommend

*
*
*
IdeaSoft® | Akıllı E-Ticaret paketleri ile hazırlanmıştır.